Product Summary
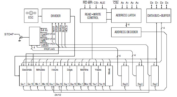
The RTC72421 module is a real time clock that can be connected directly to a microprocessor bus. Its built-in crystal unit enables highly accurate time-keeping with no physical access required for adjustment and, since there is no need to connect extermal components,mounting and other costs can be reduced. In addition to its time and calendar functions, the RTC72421 enables the use of 30-seconds correction and fixed-period interrupt functions. The RTC72421 is suited for some places, such as personal computers,dedicated word-processors,fax machines,multi-function telephones, and sequencers.
Parametrics
Absolute Max. rating:(1)Power source voltage,VDD:-0.3 to 7.0v at Ta=+25 °C; (2)Input and output voltage,VVD:GND -0.3 to VDD+0.3 V at Ta=+25 °C; (3)Storage temperature,TSTG:-55 to +85°C; (4)Soldering condition,TSOL:Under +260 °C within 10 s(lead part) (package should be less than +150 °C);(5)Operation restoring time,tr:2.0 Min.us at Refer to the data holding timing.
Features
Features:(1)Built-in crystal unit allows adjustment-free efficient operation; (2)ALE input terminal available for 8048, 8051, and 8085 series; (3)12/24 h clock switchover function and automatic leap year setting; (4)Interrupt masking; (5)30 second adjustment function; (6)Low current consumption and features a backup function.
Diagrams

(China (Mainland))



